creative ®   10-Jul-2023 13:45

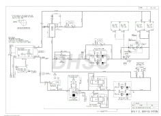
Piping System Diagram in E/R (Crude Oil Tanker , DWT 115, built in 2022, Korean Shipyard )


Year: 2020
Language: english
Author: DHSC
Genre: Technical
Format: PDF
Quality: eBook
Number of pages: 63
Description: "Piping System Diagram" is instruction book which has detailed information/ description for piping elements and components. As Example taken the Crude Oil tanker built in South Korea at 2022 with Steam Turbine Cargo Plant and 115.000 DWT-Схемы/ Диаграммы Машинного отделения для Корейского Танкера построенного в 2022 году с паровой турбинной установкой и дедвейтом 115,000 тон

Contents

Screenshots

S01_3U2400801_PIPING SYSTEM DIAGRAM IN ER.pdf

Download [14 KB]

Thank U
Reply
refresh list

Similar releases

Fuel Oil changeover procedure for Main Engine , Diesel Generators and Boilers - DHSC [2021, PDF
Crude Oil Carrier “British Kestrtel” - IMO 9297357 - Cargo Operating Manual - Samsung HI [2006, PDF]
Crude Oil Carrier “British Kestrtel” - IMO 9297357 - Machinery Operating Manual - Samsung HI [2006,…
Crude Oil Carrier “British Kestrtel” - IMO 9297357 - Bridge Systems and Equipment Operating Manual…
VLCC British-Purpose IMO 9180164 – Machinery Operating Manual - Samsung HI [2000, PDF]
Архив старшего помощника танкера Hellas [2008, PDF/XLS/DOC]
VLCC Iran Hengam – IMO 9212905 - Machinery Systems Operating Manual - HHI [2003, PDF]
OPT Maersk Progress- IMO 9283289 - Deck Operating Manual - Dalian New Shipyard [2005, PDF]
MT Iran Dena - IMO 9218480 - Cargo Systems Operating Manual - Dalian New Shipyard [2004, PDF]
CPT Maersk Ramsey – IMO 9275268 --Deck & Cargo Operating Manual - DALIAN SHIPYARD [2004, PDF]
LOAD MORE
  • Reply

The time now is: Today 20:56

All times are GMT + 3 Hours