twicer ®   18-Feb-2026 01:28

Техническая диагностика радиооборудования и средств автоматики


Год выпуска: 2025
Язык: Русский
Автор: Солодов В.С., Калитёнков Н.В
Жанр: Учебное пособие
Издательство: «Издательство Лань»
Издание: 2-е
ISBN: 9785507504848
Формат: PDF
Качество: Изначально компьютерное (eBook)
Количество страниц: 156
Описание: В учебном пособии рассмотрены вопросы диагностики транспортного радиоэлектронного оборудования и средств автоматики. Соответствует современным требованиям Федерального государственного образовательного стандарта профессионального образования и профессиональным квалификационным требованиям.
Пособие предназначено для студентов специальных учебных заведений, обучающихся по специальности «Эксплуатация оборудования радиосвязи и электрорадионавигации судов».

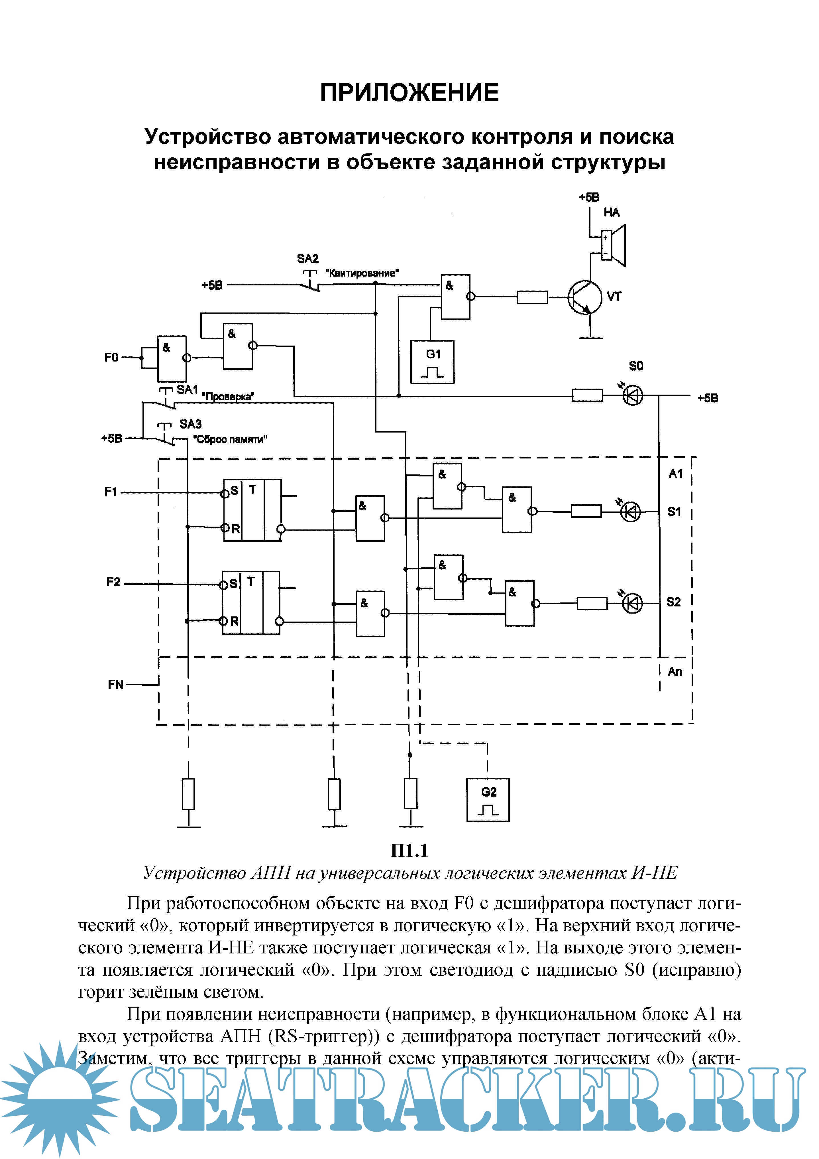
Содержание

Скриншоты

Hidden

Download [6 KB]

Thank U
Reply
refresh list

Similar releases

Иностранный язык (английский) для судовых механиков и мотористов - Луцкая Н.П., Соколянская А.В.…
Английский язык для судомехаников. English for marine engineers. Практикум - Богданова Н.А. [2020,…
Военно-морская подготовка экипажей гражданских рыбопромысловых судов - Цицеров А.Н. [2009, PDF]
Английский язык для судомехаников - English for marine engineers - Богданова Н.А. [2024, PDF]
Морской английский для судоводителей - Maritime English for navigators - Дражан Р.В. [2021, PDF]
Английский язык для курсантов морских колледжей = English for Marine Cadets - Ландик Н.В. [2025,…
Особенности устройства и эксплуатации вспомогательных механизмов корабельных КТЭУ - Гусаров А.Б.…
Краткий курс английского языка для судоводителей - Дражан Р.В. [2024, PDF]
Вводный курс английского языка для судоводителей - Дражан Р.В., Николаева Е.А. [2020, PDF]
Основы теории и эксплуатации судовых электроприводов - Бурков А.Ф. [2021, PDF]
LOAD MORE
  • Reply

The time now is: Today 23:52

All times are GMT + 3 Hours