Технарь ®   10-Sep-2024 12:07

Автоматизация судовых энергетических установок


Год выпуска: 2022
Язык: Русский
Автор: А.А. Равин, М.А. Максимова, О.И. Иванчик
Жанр: Учебное пособие
Издательство: Лань
ISBN: 785811484591
Формат: PDF
Качество: Изначально компьютерное (eBook)
Количество страниц: 204
Описание: Учебное пособие предназначено для методического обеспечения преподавания бакалаврам высших учебных заведений дисциплины «Автоматизация судовых энергетических установок». Дисциплина соответствует направлению подготовки «Кораблестроение, океанотехника, системотехника объектов морской инфраструктуры» и профилю «Системы электроэнергетики и автоматизации судов». Целью освоения дисциплины является формирование у студентов исходного объема знаний и представлений о назначении, устройстве, принципе действия, характеристиках и основных функциях систем автоматизации судовых энергетических установок.
Учебное пособие, разработанное коллективом преподавателей кафедры судовой автоматики и измерений Санкт-Петербургского государственного морского технического университета, содержит разделы, в которых рассматриваются общие сведения об автоматизации судовой энергетической установки, основные понятия теории автоматического регулирования,
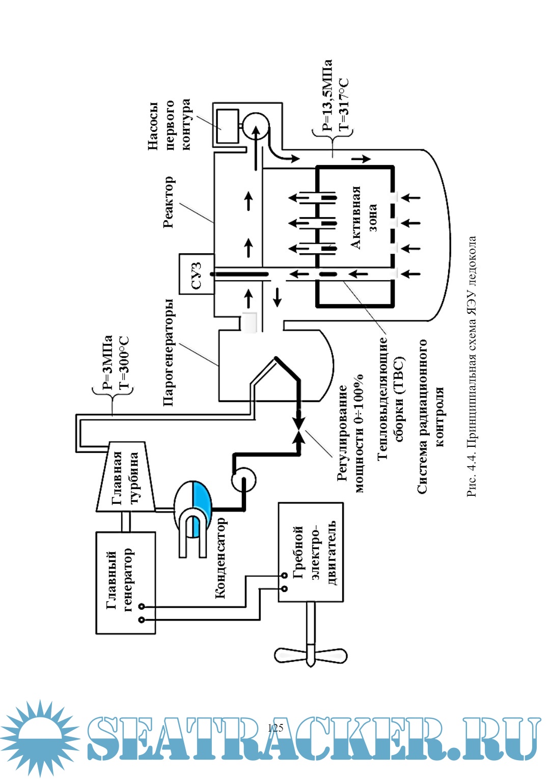
особенности автоматизации судовых дизельных и ядерных энергетических установок, а также методические указания и программное обеспечение цикла лабораторных работ и итогового компьютерного тестирования.

Содержание

Скриншоты

Avtomatizatsiya sudovyih yenergeticheskih ustanovok (2022).pdf

Download [12 KB]

Thank U
Reply
refresh list

Similar releases

Судовые вспомогательные котельные установки - Локтев А.В. [2023, PDF]
Профессиональный английский язык для магистрантов-кораблестроителей - Першина Е.Ю. [2018, PDF]
Теоретические чертежи морских судов - Москаленко М.А. [2022, PDF]
Технология судостроения. Технология судостроительных материалов - Власов С.В. [2023, PDF]
Системы автоматики и контроля СЭУ и их эксплуатация. Курс лекций - Берке Е.В. [2003, PDF]
Технология судостроения. Сооружения для подъема и спуска судов при постройке и ремонте - Антоненко…
Технология судостроения. Технологические правила сборки и ремонта корпусных конструкций - Власов…
Технология судостроения. Организация судостроительного производства - Власов С.В. [2023, PDF]
English for Shipbuilders. Английский язык для студентов-кораблестроителей - Дьяченко И.И. [2015,…
Судовые энергетические установки - Тверская С.Е. [2025, PDF]
LOAD MORE
  • Reply

The time now is: Today 20:26

All times are GMT + 3 Hours