JYX64-00-550-1 JYM-FN-6.65 Normal type free-fall life boat. Instruction manual and test result of launching and recovering devices
Year: 2012 Language: English Author: Collective Genre: Documentation Format: PDF Quality: eBook Pages count: 130 Description:This boat are designed, condtructed and equipped in accordance with "1983, 1996, 2000 and 2006 amendents to the international convention for safaty of life at sea, 1974", Lsa code "new Msc resolution 218(82), 226(82) and 272(85) to amend Msc.81(70)", "guidance for the approval and type approval of materials and equipment for marine use 1998" and also Med. Boat type: Normal type free-fall life boat, model Jym-fn-6.65. Specification. General arrangement of free-fall life boat Jym-fn-6.65 (Normal type). Equipment list for free-fall life boat. General arrangement of engine. Spare parts for diesel engine. Detail of realise hook. Arrangement of steering system. Arrangement of battery charging system. Spare parts for electric parts. Recommended lubrication oil, fuel and cooling water. Freefall lifeboat operation & Maintenance manual. Yanmar diesel engine operation manual. Electric diagram. Maintenance.
Contents
Screenshots
4.8
JYX64-00-550-1 JYM-FN-6.65 Normal type free-fall life boat. Instruction manual and test result of launching and recovering devices, 2012..pdf
You cannot post new topics in this forum You cannot reply to topics in this forum You cannot edit your posts in this forum You cannot delete your posts in this forum You cannot vote in polls in this forum You cannot attach files in this forum You cannot download files in this forum
JYX64-00-550-1 JYM-FN-6.65 Normal type free-fall life boat. Instruction manual and test result of launching and recovering devices
Language: English
Author: Collective
Genre: Documentation
Format: PDF
Quality: eBook
Pages count: 130
Description:This boat are designed, condtructed and equipped in accordance with "1983, 1996, 2000 and 2006 amendents to the international convention for safaty of life at sea, 1974", Lsa code "new Msc resolution 218(82), 226(82) and 272(85) to amend Msc.81(70)", "guidance for the approval and type approval of materials and equipment for marine use 1998" and also Med.
Boat type: Normal type free-fall life boat, model Jym-fn-6.65.
Specification.
General arrangement of free-fall life boat Jym-fn-6.65 (Normal type).
Equipment list for free-fall life boat.
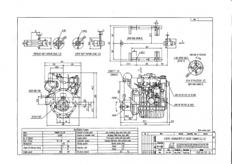
General arrangement of engine.
Spare parts for diesel engine.
Detail of realise hook.
Arrangement of steering system.
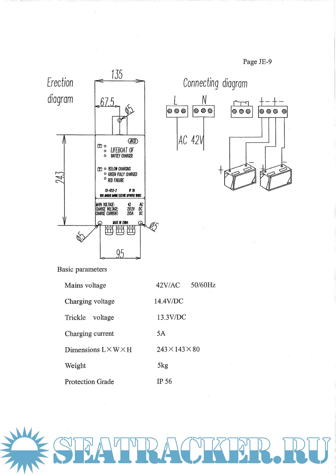
Arrangement of battery charging system.
Spare parts for electric parts.
Recommended lubrication oil, fuel and cooling water.
Freefall lifeboat operation & Maintenance manual.
Yanmar diesel engine operation manual.
Electric diagram.
Maintenance.
Contents
Screenshots
JYX64-00-550-1 JYM-FN-6.65 Normal type free-fall life boat. Instruction manual and test result of launching and recovering devices, 2012..pdf
Download [13 KB]
Share