namemamun ®   18-Dec-2023 12:11

Piping Practice Guide Line


Year: 2008
Language: english
Author: Shipyard
Genre: Guide
Format: PDF
Quality: Scanned pages
Pages count: 34
Description: This is a practical guideline for piping fabrication in shipyard.
Its not so exhaustive.
For exhaustive and detailed engineering, there are classification rules.
This gives a primary knowledge for field technicians.

Contents

A. pipe piece welding
B. Anti-corrosion treatment
C. Pipe support
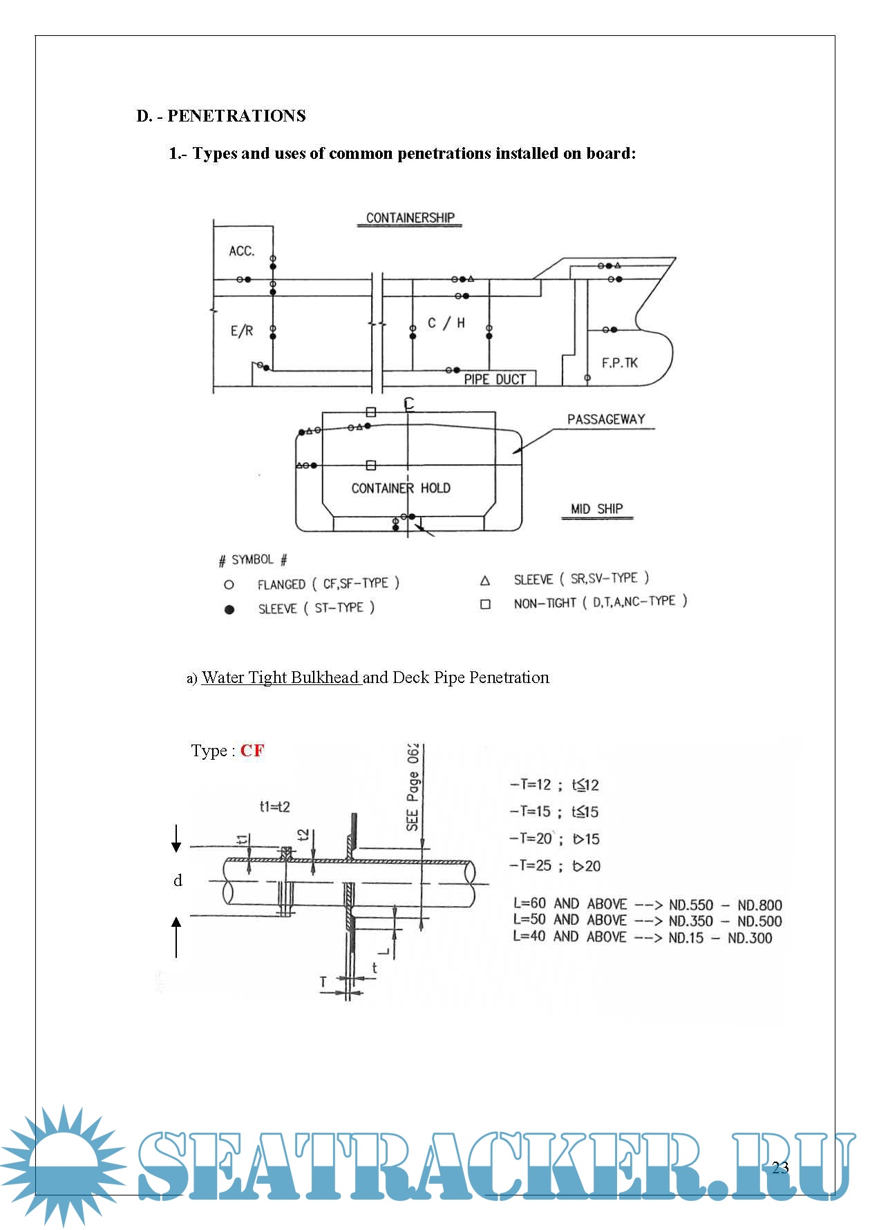
D. Penetrations
E. Pipe branch
F. Pipe joint
G. Recommendation for tankers

Screenshots

Piping Practice Guide Line.pdf

Download [10 KB]

Thank U
Reply
refresh list

Similar releases

Piping Systems Manual - Brian Silowash [2010, PDF]
Wave loads - DNV GL [2018, PDF]
Hydraulic Piping Standard Handbook - GS-Hydro Corporation (Finland) [214, PDF]
Ship Construction, 7th Edition - D. J. Eyres, G. J. Bruce [2012, PDF]
Shipbuilding and Repair Quality Standard (Rec.47) - IACS [2025, PDF]
Electrician's Guide to Control and Monitoring Systems - Albert F. Cutter Sr. [2010, PDF]
The Basics Of Gas Tungsten Arc Welding [2022, MP4]
Guidance of Welders Qualification Tests - ClassNK [2022, PDF]
A Master’s Guide To: Ships Piping - Eric Murdoch [2012, PDF]
Confined Space Safe Practice (Rec.72) - IACS [2025, PDF]
LOAD MORE
  • Reply

The time now is: Today 23:03

All times are GMT + 3 Hours