oscargtr ®   24-Sep-2023 04:29

Washer with ball face


Year: 1988
Language: Chinese
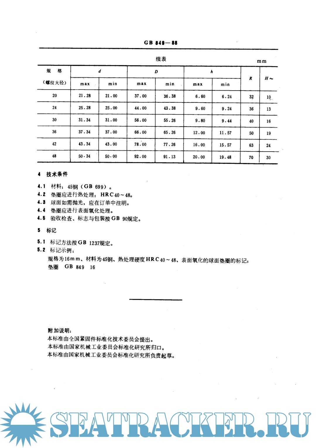
Author: Chinese standard
Format: PDF
Quality: Scanned pages
Pages count: 2
Description: She is Chinese standard for wash of screw.

Contents

Screenshots

GB849-88 Washers with ball face.pdf

Download [406 B]

Thank U
Reply
refresh list

Similar releases

Washers with come face - Chinese standard [1988, PDF]
Iraq-Iraq naval war, Vol. 2 - Convoy battles, 1981-1984 - Tom Cooper, Sirous Ebrahimi, E.R. Hooton…
The Golden buddha - Clive Cussler [199?]
Confessions of a Long-Distance Sailor - Paul Lutus [1992, DOCx]
Coronavirus - How to Beat it [2020, MPEG-4]
Sunset - Douglas reeman [David rintoul, 199?]
The British Assault on Finland, 1854-1855: A Forgotten Naval War - Basil Greenhill, Ann Giffard…
Related hand tools | Изображения и названия инструментов на английском [PDF]
Basic Safety Offshore - Falck Nutec [2008, PDF]
Instruction manual for Composite Boiler Burner SKVJ-M 14 - SAACKE [2004-2007, PDF]
LOAD MORE
  • Reply

The time now is: Today 20:39

All times are GMT + 3 Hours