Alby97 ®   25-Mar-2023 18:46

HOS Training Center - Sulzer RT-Flex Basic Training


Year: 2005
Language: english
Author: Wartsila Land and Sea Academy, Winterthur, Switzerland
Genre: Training courses
Format: PDF
Quality: OCR without errors
Pages count: 478
Description: Sulzer RT-Flex System Basic Training
List of Contents:
00. General Information
01. Short Introduction
02. Mechanical Features
03. Hydraulic & Pneumatic Systems
04. Control System WECS 9520
05. Engine Control System
06. Flexview 9520 for Operators
07. Cylinder Lubrication System
08. Service Aspects

Contents

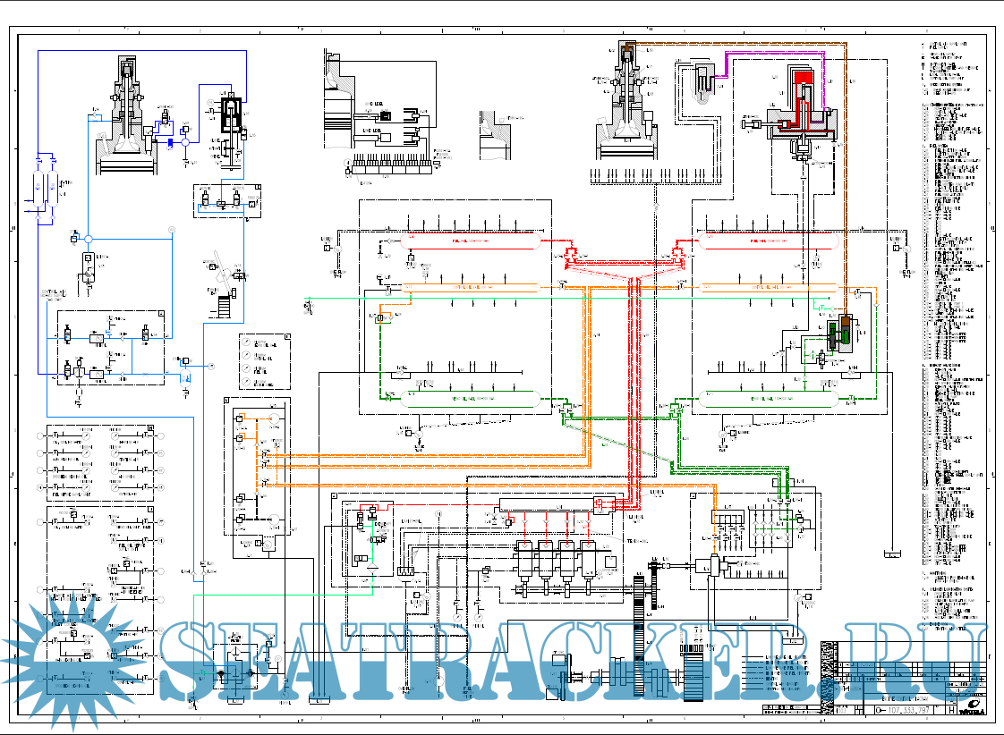
Screenshots

Hidden

Download [12 KB]

Thank U
Reply
abdallah59   27-Apr-2023 04:14
WHAT IS ADVATANGE OF VIP MEMBER AS I AM ETO I SEE CONTENT FOR ENG LESS AND DECK MORE IS THERE ANY SPECIAL STUFF IN VIP
0
Reply
refresh list

Similar releases

Operation Advanced Course WECS 9520 Controlled Engines - WinGD [2019, PDF]
GEM / NYK RT-Flex Basic Training - Wartsila Land and Sea Academy, Winterthur, Switzerland [2007,…
Wartsila RT Flex Course (5 Days) - Wartsila Land and Sea Academy, Winterthur, Switzerland [2010,…
Wärtsilä-Sulzer RT-flex60C Engine Documentation [2005, PDF]
Wärtsilä & Sulzer Service Bulletins [200x, PDF]
RT flex introduction - wartsila [2020, PDF]
MAN B&W ME Engine Training Course - MAN B&W [2010, PDF]
MAN B&W ME Engines Training Courses - MAN B&W Diesel A/S [2006, PDF]
Wartsila RT-FLEX Engines Training & Introduction [2009, PDF]
CAT Training - CAT [2013, PDF]
LOAD MORE
  • Reply

The time now is: Today 23:39

All times are GMT + 3 Hours