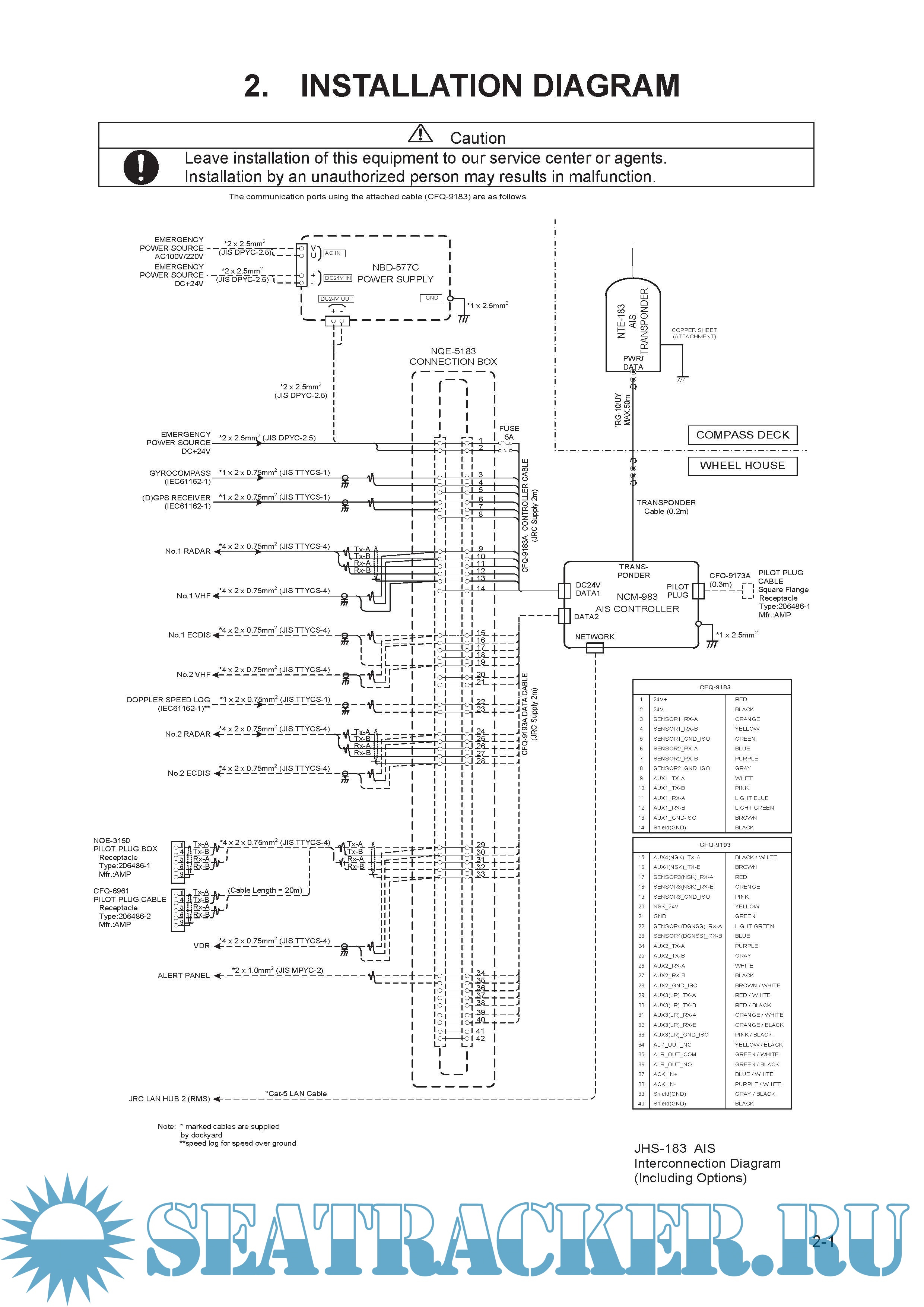
Year: 2020 Language: english Author: JRC Genre: Manual Publisher: JRC Edition: 1 Format: PDF Quality: eBook Pages count: 134 Description: The JHS-183 AIS is a ship borne system capable of regularly broadcasting own ship’s unique information and continually receiving and displaying information broadcast from other vessels. The AIS can "see around corners", allowing avoidance of dangers before visual contact has been established. All ship’s information including static and voyage related data such as the ship’s name and cargo, as well as its dynamic navigational information, i.e., position, course, and speed can be transmitted and received. The JHS-183 is an important piece of navigation equipment onboard for collision avoidance and maneuvering. The information broadcast from other ships displayed on the AIS, together with the geographical information shown on the radar or ECDIS provides highly important data for strategic decisions and for prompt contact with other ships. The JHS-183 is able to display up to 200 AIS targets and the excellent on-screen menus will greatly shorten most users' learning period. • Be sure to read this manual before using the equipment. • Keep this manual near at hand for quick reference.
You cannot post new topics in this forum You cannot reply to topics in this forum You cannot edit your posts in this forum You cannot delete your posts in this forum You cannot vote in polls in this forum You cannot attach files in this forum You cannot download files in this forum
JRC AIS JHS-183 Instruct Manual
Language: english
Author: JRC
Genre: Manual
Publisher: JRC
Edition: 1
Format: PDF
Quality: eBook
Pages count: 134
Description: The JHS-183 AIS is a ship borne system capable of regularly broadcasting own ship’s unique information and continually receiving and displaying information broadcast from other vessels. The AIS can "see around corners", allowing avoidance of dangers before visual contact has been established. All ship’s information including static and voyage related data such as the ship’s name and cargo, as well as its dynamic navigational information, i.e., position, course, and speed can be transmitted and received.
The JHS-183 is an important piece of navigation equipment onboard for collision avoidance and maneuvering. The information broadcast from other ships displayed on the AIS, together with the geographical information shown on the radar or ECDIS provides highly important data for strategic decisions and for prompt contact with other ships. The JHS-183 is able to display up to 200 AIS targets and the excellent on-screen menus will greatly shorten most users' learning period.
• Be sure to read this manual before using the equipment.
• Keep this manual near at hand for quick reference.
Contents
Screenshots
JRC AIS JHS-183 Instruct Manual.pdf
Download [3 KB]
Share