Year: 2011 Language: english Author: IMMAJ Genre: Technical book Publisher: JAPAN Edition: 2 ISBN: 256 Format: PDF Quality: Scanned pages Pages count: 70 Description: When it comes to ships, valves and piping are important infraestructure that connect a variety of installations and allow them to properly perform their respective functions. The types, models and standards for valves and piping used on board ships are strictly according to purpose, pressure and other characteristics. Familiariziring yourselves with their fundamental structures, materials and roles is of critical importance because doing so allows you to safety operate the ships on which you serve.
Contents
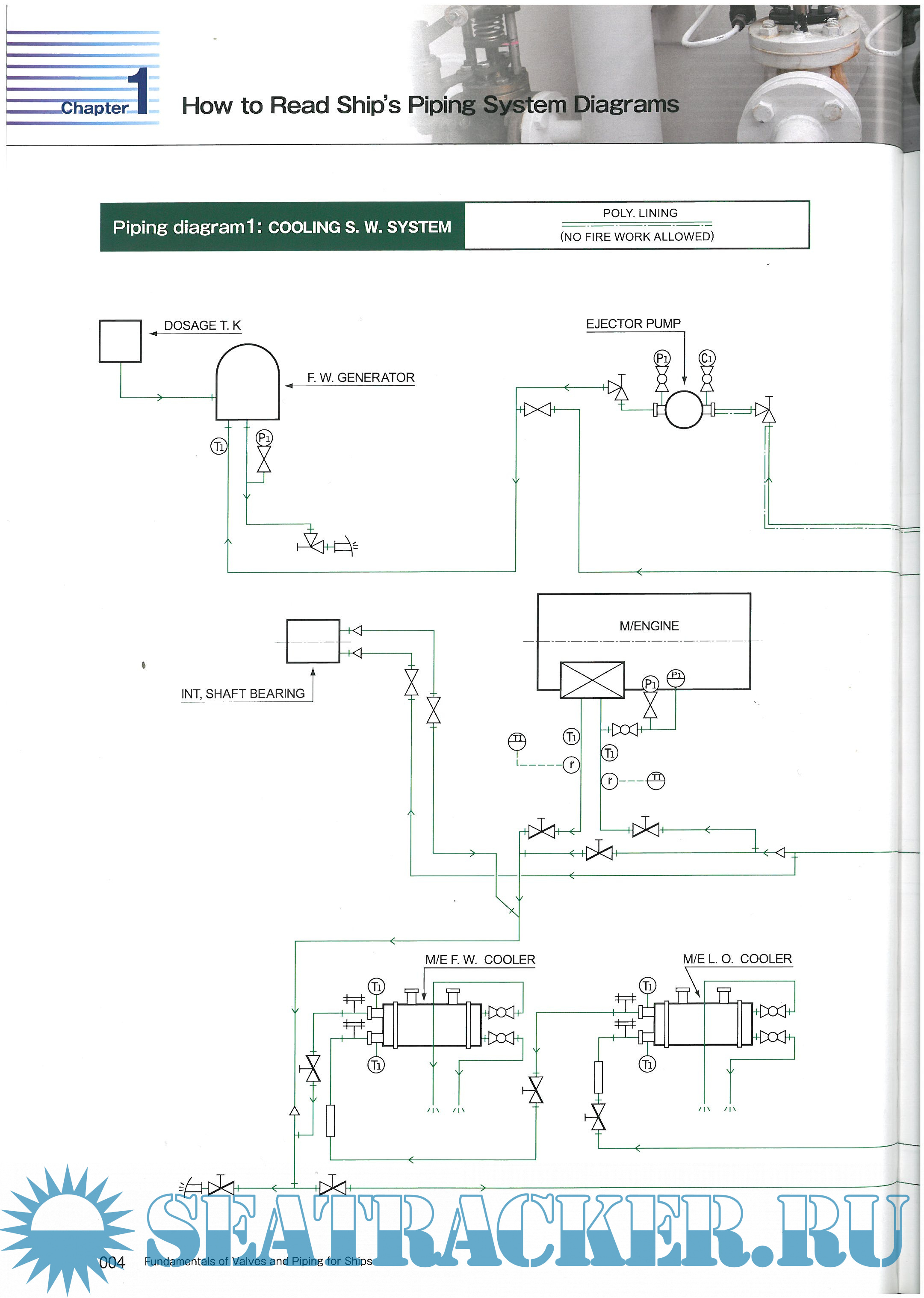
1 How to read ships piping system diagrams 2 Structures, motions, and handling of various valves 3 Seals 4 Pipes
You cannot post new topics in this forum You cannot reply to topics in this forum You cannot edit your posts in this forum You cannot delete your posts in this forum You cannot vote in polls in this forum You cannot attach files in this forum You cannot download files in this forum
FUNDAMENTALS OF VALVES AND PIPING FOR SHIPS
Language: english
Author: IMMAJ
Genre: Technical book
Publisher: JAPAN
Edition: 2
ISBN: 256
Format: PDF
Quality: Scanned pages
Pages count: 70
Description: When it comes to ships, valves and piping are important infraestructure that connect a variety of installations and allow them to properly perform their respective functions.
The types, models and standards for valves and piping used on board ships are strictly according to purpose, pressure and other characteristics.
Familiariziring yourselves with their fundamental structures, materials and roles is of critical importance because doing so allows you to safety operate the ships on which you serve.
Contents
1 How to read ships piping system diagrams2 Structures, motions, and handling of various valves
3 Seals
4 Pipes
Screenshots
fundamentals of valves and piping.pdf
Download [15 KB]
Share
Share