kose ®   10-Jun-2018 17:47

Waste Oil Incinerator Hyundai MAXI 25/50/100/150 SL-1


Year: 2006
Language: english
Author: Hyundai Marine Machinery Co., Ltd.
Genre: Documentation
Format: PDF
Quality: eBook
Pages count: 90
Description: Instruction Book for installation, operation & maintenance of incinerator

Contents

1. Installation Instructions
2. Instruction for operation
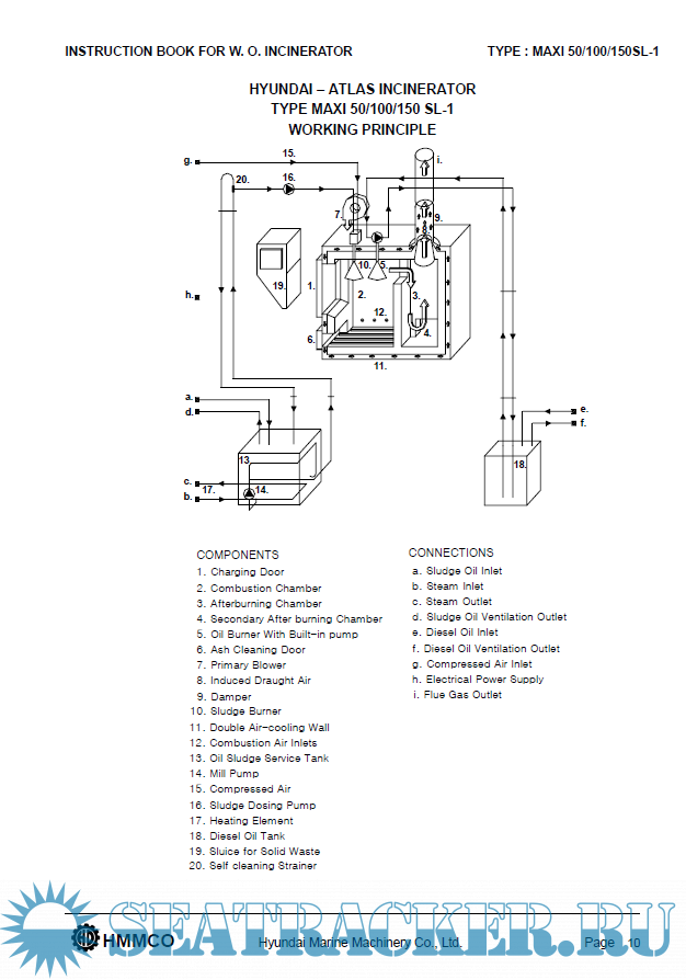
3. Instruction for operation of incinerator
4. Trouble shooting
5. Instruction for operation & maintenance of parts
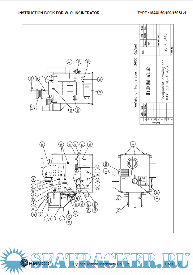
6. list of parts
7. Additional drawings & components

Screenshots

MANUAL_OG_MAXI_SL1_V3_060307.pdf

Download [5 KB]

Thank U
Reply
refresh list

Similar releases

TeamTec Incinerator OG 120C - TeamTec AS [2008, PDF]
TeamTec Incinerator GS 500C - TeamTec AS [2007, PDF]
TeamTec Incinerator OG 200C(S) - TeamTec AS [2009, PDF]
TeamTec Incinerator GS 500C - TeamTec AS [2001, PDF]
Waste Oil Incinerator KangRim KFB-50 - KangRim Industries Co., Ltd. [2006, PDF]
AALBORG - Instruction manual for IGS, Mission OL boiler, AV-6N Economizer [2008, PDF]
The Diesel Engine 7RT-flex82c Manual - Hyundai-Wartsila [2008, PDF]
SMAG [Peiner] Grabs Documentation - SMAG Group Company [201?, PDF]
Sauer Air Compressor - WP400 Operations Manual - J.P. Sauer & Sohn Maschinenbau GmbH [2014, PDF]
Hyundai - MAN B&W 6S90ME Instruction Manual - Hyundai - MAN B&W [2010, PDF]
LOAD MORE
  • Reply

The time now is: Today 23:51

All times are GMT + 3 Hours