zxc ®   14-Aug-2013 22:41

Alfa Laval Separators / Manuals, Handbooks, Instructions


Language: english
Author: Alfa Laval
Genre: Manuals
Publisher: Alfa Laval
Format: PDF
Quality: eBook
Number of pages: >1000
Description:Alfa Laval FOPX613 manual .pdf
Alfa Laval FOPX613 manual.pdf
Alfa Laval HFO Separator SU 865 Manual 2003.pdf
Alfa Laval LOPX 710.pdf
Alfa Laval MAB104 Separator The practical maintenance guide.pdf
Alfa Laval MMPX 303.PDF
Alfa Laval MMPX 304.PDF
Alfa Laval MOPX310M.PDF
Alfa Laval MOPX310S.PDF
Alfa Laval P-605 Separator Manual.pdf
Alfa Laval S-811 & S-816 Руководство по эксплуатации сепаратора .pdf
Alfa Laval S-825 с EPC-50.pdf
Alfa Laval SA-870 Manuals.pdf
Alfa Laval SA Purif-Trainig for technicians.pdf
Alfa Laval Upgrading Handbook O Ver 1.pdf
Alfa Laval МАРХ207 инструкция рус.pdf
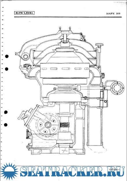
Alfa Laval МАРХ309 инструкция неполная english.pdf
Alfa Laval S-826
Alfa-Laval type SU816 на русском
Руководство SU816_.pdf
Установка SU816.pdf
Alfa Laval S-841,pdf 4части I-18 MDO Sep
Alfa Laval S-811
Alfa Laval MMPX404SGP-11, PA-605
Список резиновых уплотнений для сепаратора Alfa laval PA605.doc
СЕПАРАТОР РА - 605 .PDF
СепараторММРХ404SGP-11.PDF

Screenshots

Alfa Laval Manuals

Download [19 KB]

Thank U
Reply
DimaODS   11-Dec-2014 19:50
Добрый день. Ищу для сепаратора Alfa Laval MAPX 204 TGT-24/4139-3:
-Operators manual
-Spare parts catalogue
[email protected]
0
Reply
tor-prikindel   27-Sep-2015 15:17
Куплю документацию ALFA LAVAL MAPX 205T в сканированном виде или hard copy:
- Operators manual
- Spare parts catalogue
На пароходе из документации только отдельные страницы (с отпечатками рук и ног). Тема закрыта
5
Reply
gamo08   30-Oct-2015 16:35
Good day, I am looking for a distributor for Alfa Laval mapX 207 SGT, who can help
0
Reply
kaviskar   29-Apr-2016 08:30
want alfa laval MMPX404SGP-11 and MMPX403SGP-11 maintenance, spare and instruction manual in english
0
Reply
Vitalii_dulin   02-Mar-2020 18:04
Добрый день ищу документацию на ремонт Alfa Laval MAPX 204 TGT-24 а то пришел на корабль а он весь разобраны станьте кто может на почту [email protected] заранее большое спасибо
0
Reply
userchel   11-Mar-2021 11:09
Добрый день. Прошу помочь, rто может, ищу документацию на Alfa Laval MAPX 204, руководство и каталог. Почта [email protected]
0
Reply
shparnet   08-Apr-2022 19:03
Всем привет. Появилась ли литература хоть у кого на Mapx 204 TGT-24? Прошу поделиться чем есть - [email protected]
0
Reply
Aleksea   03-Jun-2024 12:19
Добрый день. Кто может поделиться мануалом по Purifier S936 ?
Заранее большое спасибо!
0
Reply
Kucen   15-Mar-2025 20:34
У кого есть мануал на сепоратор alfa laval SA 815
0
Reply
refresh list

Similar releases

Сепараторы и опреснители Alfa Laval / Separators and Evaporators Alfa-Laval [PDF, MPEG, XLS]
CD-11-1 SEPARATORS_#1 / СЕПАРАТОРЫ (Maritime Electronic Library) - ERMO83 [2007, PDF]
CD-11-2 SEPARATORS_#2 / СЕПАРАТОРЫ (Maritime Electronic Library) - ERMO83 [2007, PDF]
Сепарационные системы Alfa Laval [2004-2006, PDF]
Alfa-Laval Centufugal Type OWS - Alfa-Laval [2012, PDF]
Alfa Laval S-Type separatots / General Service Instructions [HTML]
Oily water separator BWPX 307 - ALFA LAVAL [20??, PDF]
Alfa Laval S936 Separator Instruction Manual
Alfa Laval MAB 103B-24 Separator Instruction Manual - Alfa Laval Tumba AB [2019, PDF]
Альфа Лаваль 707
LOAD MORE
  • Reply

The time now is: Today 18:58

All times are GMT + 3 Hours