First Patrol: A Cold War Chronicle at the dawn of Polaris missile submarine patrols
Year: 2020 Language: english Author: Michael J Pastore Genre: History Publisher: Independently published Format: PDF Quality: eBook Pages count: 405 Description: Follow a patrol of one of the earliest ballistic missile submarines FIRST PATROL chronicles a crew’s experiences during the three month period of duty in a strategic submarine patrol cycle. The events occurred in the early 1960’s. Their submarine is one of the first five boats carrying 16 nuclear-warhead Fleet Ballistic Missiles. The 60-day patrol at sea starts after a month of upkeep in Scotland. The story is told through the eyes of the author, a young naval officer on his first submarine patrol after he had completed lengthy nuclear power and submarine training. He reports to the off-crew offices of his boat on the Submarine Base in Groton, CT, and is anguished to find he will be the Supply Officer instead of being assigned to a job operating the nuclear power plant. He learns that Adm Rickover is replacing the non-nuclear trained officers on submarines with nuclear officers. His concern is that he has no training in overseeing crew meals and spare parts nor does it give him the experience he needs to become a chief engineer. But the job gives him daily access and insight to the crew. This is a true story about a unique way of life where watch-standing mixes with the human conflicts that occur when 125 men are locked in a steel tube for 60-days. Starting with the first midwatch on patrol and continuing until just hours before returning to Holy Loch, it is a voyage filled with equipment malfunctions including a reactor coolant leak. Mission orders forbade radioing for advice and the Captain must choose between performing a complex repair or aborting the patrol. The book is written in a non-technical manner using first person narrative and crew member interactions to explain complex events in human terms. As the author receives engineering and conning officer watch training he shows how the fledgling submariner acquires the skills and knowledge of his trade. At the conclusion of the central story epilogues describing complications in trying to return home from Scotland and some of the experiences of his subsequent four patrols. An extensive set of notes covering some of the technical details of nuclear submarine operations for the reader interested in exploring the subject more deeply and a glossary of terms and expressions. Besides the unprecedented first day of patrol incident that put the entire mission at risk, there were other major equipment failures including a reactor coolant leak, loss of trim and drain pumps, galley fire, flooding, loss of the trash ejection tube, and failure of the navigation star-periscope required for navigation. Isolating the coolant leak required two reactor compartment entries and operating the diesel engine to provide power during the reactor shutdowns. The crew performed at high levels during these crises and drills because of their intelligence and training. During mundane daily routine, human nature caused some to regress to frivolous actions. There were many daily life situations where boredom drove some to seek to escape tension that even the recreations committee’s slot machine doesn’t provideThe goat locker, the senior enlisted men, provided hilarious formal rites for Crossing the Arctic Circle and the Splice the Mainbrace party that involved the whole crew and all officers. But these events only provided brief respites from patrol monotony.Daily life was epitomized in the FBM submariner’s mantra—Patrol is 99% absolute boredom and 1% sheer terror.
You cannot post new topics in this forum You cannot reply to topics in this forum You cannot edit your posts in this forum You cannot delete your posts in this forum You cannot vote in polls in this forum You cannot attach files in this forum You cannot download files in this forum
First Patrol: A Cold War Chronicle at the dawn of Polaris missile submarine patrols
Language: english
Author: Michael J Pastore
Genre: History
Publisher: Independently published
Format: PDF
Quality: eBook
Pages count: 405
Description: Follow a patrol of one of the earliest ballistic missile submarines
FIRST PATROL chronicles a crew’s experiences during the three month period of duty in a strategic submarine patrol cycle. The events occurred in the early 1960’s. Their submarine is one of the first five boats carrying 16 nuclear-warhead Fleet Ballistic Missiles. The 60-day patrol at sea starts after a month of upkeep in Scotland.
The story is told through the eyes of the author, a young naval officer on his first submarine patrol after he had completed lengthy nuclear power and submarine training. He reports to the off-crew offices of his boat on the Submarine Base in Groton, CT, and is anguished to find he will be the Supply Officer instead of being assigned to a job operating the nuclear power plant.
He learns that Adm Rickover is replacing the non-nuclear trained officers on submarines with nuclear officers. His concern is that he has no training in overseeing crew meals and spare parts nor does it give him the experience he needs to become a chief engineer. But the job gives him daily access and insight to the crew.
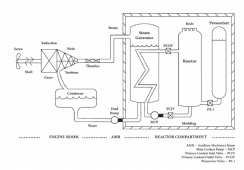
This is a true story about a unique way of life where watch-standing mixes with the human conflicts that occur when 125 men are locked in a steel tube for 60-days. Starting with the first midwatch on patrol and continuing until just hours before returning to Holy Loch, it is a voyage filled with equipment malfunctions including a reactor coolant leak. Mission orders forbade radioing for advice and the Captain must choose between performing a complex repair or aborting the patrol.
The book is written in a non-technical manner using first person narrative and crew member interactions to explain complex events in human terms. As the author receives engineering and conning officer watch training he shows how the fledgling submariner acquires the skills and knowledge of his trade.
At the conclusion of the central story epilogues describing complications in trying to return home from Scotland and some of the experiences of his subsequent four patrols.
An extensive set of notes covering some of the technical details of nuclear submarine operations for the reader interested in exploring the subject more deeply and a glossary of terms and expressions.
Besides the unprecedented first day of patrol incident that put the entire mission at risk, there were other major equipment failures including a reactor coolant leak, loss of trim and drain pumps, galley fire, flooding, loss of the trash ejection tube, and failure of the navigation star-periscope required for navigation. Isolating the coolant leak required two reactor compartment entries and operating the diesel engine to provide power during the reactor shutdowns.
The crew performed at high levels during these crises and drills because of their intelligence and training. During mundane daily routine, human nature caused some to regress to frivolous actions. There were many daily life situations where boredom drove some to seek to escape tension that even the recreations committee’s slot machine doesn’t provideThe goat locker, the senior enlisted men, provided hilarious formal rites for Crossing the Arctic Circle and the Splice the Mainbrace party that involved the whole crew and all officers. But these events only provided brief respites from patrol monotony.Daily life was epitomized in the FBM submariner’s mantra—Patrol is 99% absolute boredom and 1% sheer terror.
Contents
Screenshots
First Patrol.pdf
Download [4 KB]
Share